浏览: │ 发表时间:2020-09-02
中国作为生产大国,如何保护人员与设备安全,将制造中可能发生的事故风险降到最低?随着全球安全标准和技术的不断发展,生产安全逐渐成为优化生产的有力工具,想要高效利用这一工具,首先就是要了解设备结构与实际使用。只有充分了解设备结构与实际使用,才能做到正确操作,才能保证生产安全,接下来就让我们一起来了解一下,射频激光器的结构说明与实际使用。
射频激光器结构说明
后面板结构说明
后面板包括:
1.直流电源输入接线端子+ - ;
2.信号接口(PWM 信号输入口)。

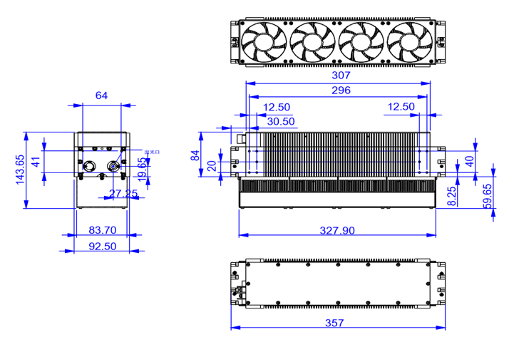
外观结构及尺寸

射频实际使用说明
二氧化碳激光器是目前连续输出功率较高的一种激光激光器,它发展较早,商业产品较为成熟,被广泛应用到材料加工、医疗使用、军事武器、环境量测等各个领域。

在激光的发展和应用方面,CO₂激光器的制作和应用较早也较多,早在1970年代末期,就有从国外直接进口CO₂激光器,从事工业加工和医疗等应用。从80年代末期开始,CO₂激光器被广泛引进并应用在材料加工领域。目前我公司生产的射频激光器主要以10W和30W两种功率为主,由于两种射频激光器款型功率较小,现市场中主要应用于金属及非金属打标行业,医疗美容行业,非金属雕刻切割行业。

永利将持续围绕“二氧化碳激光管、射频激光器、合束激光器及永利子公司栅莱特激光光纤激光器”等产品进行知识分享,欢迎大家关注!如果大家有需要解答的问题或者想要了解的的相关知识,也可以在文章下方留言,永利君将根据大家提出的问题,进行解答并及时调整知识内容。希望能对大家有所帮助。